Перепресовка коленвала или как правильно выбрать запы?

Денис 27
мелко рокер
Повідомлень: 34
З нами з: 30 серпня 2012, 10:51
Мотоцикл: Ява
Дякував (ла): 0
Подякували: 0
Контактна інформація:

Поршневые кольца?

Повідомлення Денис 27 »

Подскажите какие кольца лучше купить и где?
Я купил в магазине кольца по качеству вроде норм, размерность соблюдена, но геометрия оставляет желать лучшего. Из всего комплекта только одно можно ставить, все остальные одни "просветы".
[email protected]
Аватар користувача
cara
мож че и выростит
Повідомлень: 121
З нами з: 10 червня 2012, 09:18
Мотоцикл: Jawa 638-0 1987г.
Звідки: Кировоградская обл.
Дякував (ла): 0
Подякували: 0
Контактна інформація:

Re: Перепресовка коленвала или как правильно выбрать запы?

Повідомлення cara »

Денис 27 Тут говорят о коленвалах :banghead2:
UBAH
Старая гвардия
Повідомлень: 1218
З нами з: 04 лютого 2010, 11:09
Мотоцикл: -----------
Дякував (ла): 0
Подякували: 0
Контактна інформація:

Re: Перепресовка коленвала или как правильно выбрать запы?

Повідомлення UBAH »

-----
Востаннє редагувалось 07 травня 2017, 10:46 користувачем UBAH, всього редагувалось 1 раз.
Денис 27
мелко рокер
Повідомлень: 34
З нами з: 30 серпня 2012, 10:51
Мотоцикл: Ява
Дякував (ла): 0
Подякували: 0
Контактна інформація:

Re: Перепресовка коленвала или как правильно выбрать запы?

Повідомлення Денис 27 »

Кольца без опознавательных знаков, упаковка как лет десять назад была (энное количество смазанное маслом и завернуто в бумагу), ну и цена смешная 4гр. штука. Покупая их я осознавал что это какое то г..но. Но других в продаже не было.
Цилиндры уже точеные, после хонинговании набилось зеркало, размер в норме, конусность и овальность тоже.
Хочу купить нормальные кольца, просто не знаю где. Может кто покупал через интернет хорошего качества?
Сам живу в Запорожье. Буду ехать на рынок и смотреть что там предложат.
Аватар користувача
Chezara
Старая гвардия
Повідомлень: 1039
З нами з: 15 серпня 2012, 04:42
Мотоцикл: CZ 472.6=>Honda TA650
Звідки: Бровары
Дякував (ла): 0
Подякували: 0
Контактна інформація:

Re: Перепресовка коленвала или как правильно выбрать запы?

Повідомлення Chezara »

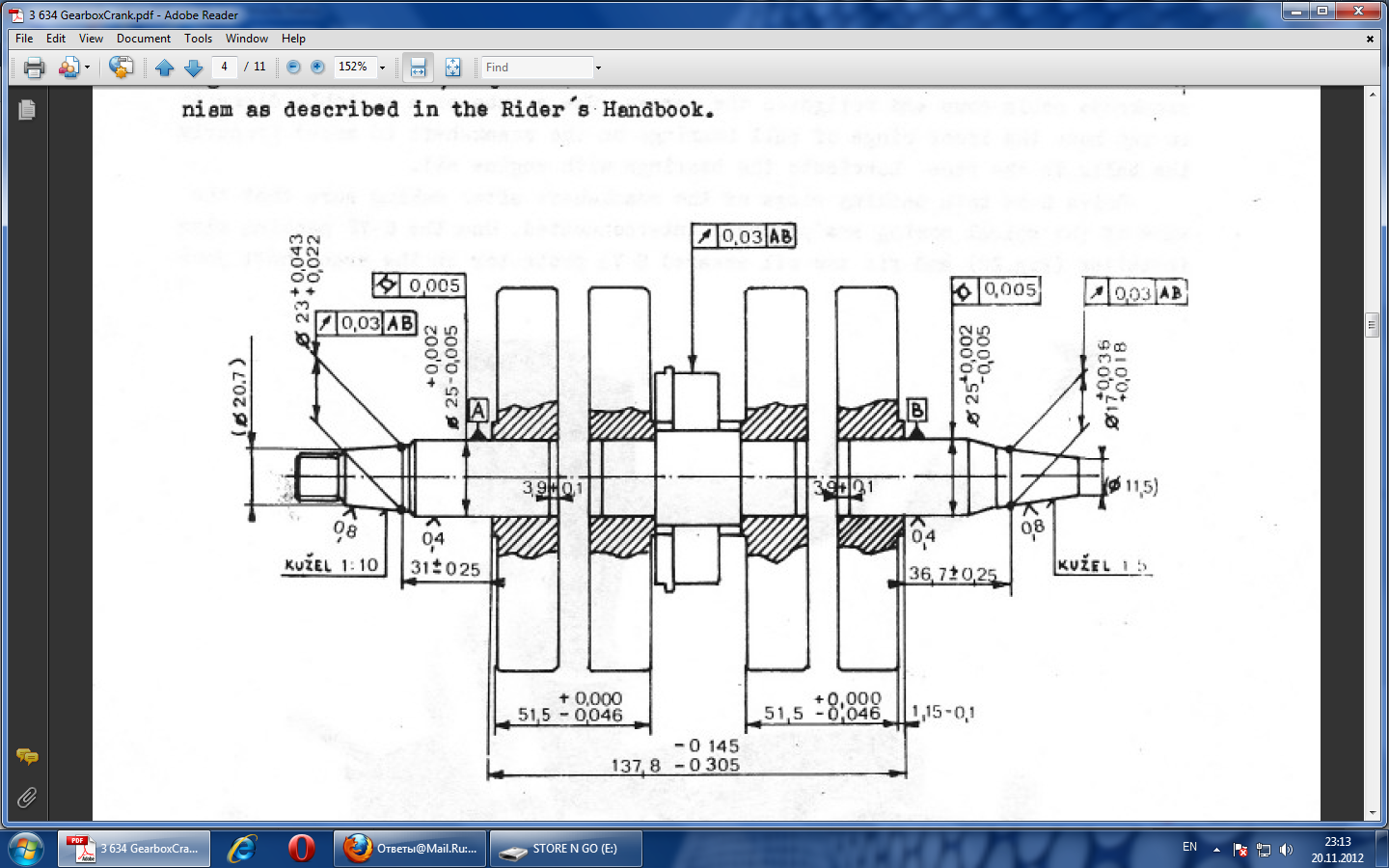
по поводу коленвала, вот нарыл на 634, думаю некоторым будет интересно.
634 crankshaft.png
p.s. Полный документ на английском, в ПДФ формате. не знаю как загрузить, хотя тут помоему вся подробная информация.
Життя стає цікавішим, якщо частіше відривали ср@ку від дивану.
UBAH
Старая гвардия
Повідомлень: 1218
З нами з: 04 лютого 2010, 11:09
Мотоцикл: -----------
Дякував (ла): 0
Подякували: 0
Контактна інформація:

Re: Перепресовка коленвала или как правильно выбрать запы?

Повідомлення UBAH »

-----
Востаннє редагувалось 07 травня 2017, 10:34 користувачем UBAH, всього редагувалось 1 раз.
Аватар користувача
Chezara
Старая гвардия
Повідомлень: 1039
З нами з: 15 серпня 2012, 04:42
Мотоцикл: CZ 472.6=>Honda TA650
Звідки: Бровары
Дякував (ла): 0
Подякували: 0
Контактна інформація:

Re: Перепресовка коленвала или как правильно выбрать запы?

Повідомлення Chezara »

тема очень громкая, а ссылка на этот известный документ появилась впервые
Життя стає цікавішим, якщо частіше відривали ср@ку від дивану.
UBAH
Старая гвардия
Повідомлень: 1218
З нами з: 04 лютого 2010, 11:09
Мотоцикл: -----------
Дякував (ла): 0
Подякували: 0
Контактна інформація:

Re: Перепресовка коленвала или как правильно выбрать запы?

Повідомлення UBAH »

-----
Востаннє редагувалось 07 травня 2017, 10:34 користувачем UBAH, всього редагувалось 1 раз.
Аватар користувача
OlegHunter
рокер
Повідомлень: 471
З нами з: 25 вересня 2009, 10:25
Мотоцикл: JAWA-638, JAWA-250/559, ЧЗ-180/487, ИЖ-П/56, Альфа
Звідки: Киев
Дякував (ла): 0
Подякували: 0
Контактна інформація:

Re: Перепресовка коленвала или как правильно выбрать запы?

Повідомлення OlegHunter »

- Вродеб-то как уже каменный век давно позади - у каждого на столе = компьютер! НО "дикари" - всё ещё = попадаются:
Зображення
.....Говорено-переговорено: НЕ бейте по к/валу молотками! Пользуйтесь специальными съёмниками :banghead2:
Аватар користувача
vladuna
Старая гвардия
Повідомлень: 1135
З нами з: 10 лютого 2011, 18:51
Мотоцикл: Jawa 350 638, ИЖ 56, Рига 26
Звідки: Киев
Дякував (ла): 0
Подякували: 0
Контактна інформація:

Re: Перепресовка коленвала или как правильно выбрать запы?

Повідомлення vladuna »

ого.....нифигово так!
Нужно знать предмет, о котором говоришь, в точности и подробности, выяснив себе вполне его положительные и отрицательные свойства... А. Ф. Кони.
Аватар користувача
Chezara
Старая гвардия
Повідомлень: 1039
З нами з: 15 серпня 2012, 04:42
Мотоцикл: CZ 472.6=>Honda TA650
Звідки: Бровары
Дякував (ла): 0
Подякували: 0
Контактна інформація:

Re: Перепресовка коленвала или как правильно выбрать запы?

Повідомлення Chezara »

Олег Романюк писав:- "дикари" - всё ещё = попадаются:
.....Говорено-переговорено: НЕ бейте по к/валу молотками! Пользуйтесь специальными съёмниками :banghead2:
обязательно скажите это тому, кто вам коленвал принес...
Життя стає цікавішим, якщо частіше відривали ср@ку від дивану.
Аватар користувача
OlegHunter
рокер
Повідомлень: 471
З нами з: 25 вересня 2009, 10:25
Мотоцикл: JAWA-638, JAWA-250/559, ЧЗ-180/487, ИЖ-П/56, Альфа
Звідки: Киев
Дякував (ла): 0
Подякували: 0
Контактна інформація:

Re: Перепресовка коленвала или как правильно выбрать запы?

Повідомлення OlegHunter »

- Принёс знакомый, выкупивший этот мот у колхозников!! ....ТЕ же - никого НЕ слушают и ничего НЕ читают = "..мені ніколи такой хирньою страдать, бо тре-е корову пасти/город копать.." и т.д. и т.п. :balalaika:
..Так мало того, что резьба расклёпана - єнта цапфа зажала/заклинила свой шатун, что заставило прилично по-помучиться при расколке движка..... -Теперь общими усилиями постараемся вернуть ЯВУ к новой жизни.. :100:
- Да, - моё фото сделано на фоне руководства с размерами к/вала + рекомендациями по центровке, которое, разумется - у меня есть!.... :smoke2:
Аватар користувача
Аркад108
ньюб
Повідомлень: 19
З нами з: 01 червня 2012, 19:35
Мотоцикл: 350 (634)
Дякував (ла): 0
Подякували: 0
Контактна інформація:

Re: Перепресовка коленвала или как правильно выбрать запы?

Повідомлення Аркад108 »

Может кто ставил такие? Завтулен и верх и низ :shothead:
Зображення
Востаннє редагувалось 14 грудня 2012, 09:45 користувачем Аркад108, всього редагувалось 1 раз.
Счастье - это не цель жизни, а способ передвижения по жизни!
UBAH
Старая гвардия
Повідомлень: 1218
З нами з: 04 лютого 2010, 11:09
Мотоцикл: -----------
Дякував (ла): 0
Подякували: 0
Контактна інформація:

Re: Перепресовка коленвала или как правильно выбрать запы?

Повідомлення UBAH »

-----
Востаннє редагувалось 07 травня 2017, 05:44 користувачем UBAH, всього редагувалось 1 раз.
Аватар користувача
OlegHunter
рокер
Повідомлень: 471
З нами з: 25 вересня 2009, 10:25
Мотоцикл: JAWA-638, JAWA-250/559, ЧЗ-180/487, ИЖ-П/56, Альфа
Звідки: Киев
Дякував (ла): 0
Подякували: 0
Контактна інформація:

Re: Перепресовка коленвала или как правильно выбрать запы?

Повідомлення OlegHunter »

- Также пока НЕ могу конкретно ответить по указанным завтуленным шатунам - ещё = не попадались.....
.....Зато в сегодняшней почте попался очередной вопрос:
- Здраствуйте, Олег Николаевич. Подскажите стоимость перепресовки явовского (634) коленвала. Спасибо
...Отвечаю: если человека НЕ интересует качество и объём ремонта, а важно выторговать/сэкономить на самой технологически сложной операции моторемонта 15-20грн - это НЕ мой клиент!!(и слава богу....) ..Да и КАК можно заочно определить объём ремонта??? В самых идеальных случаях, при НЕпресованных к/валах бывает необходимо только простая перепресовка для замены(скажем..) только центрального подшипника(ов). - Но я такого уже почти и НЕ вспомню.. Обычно-же привозят "трупы", неоднократно перепресованные + с прослабленными крайними цапфами/расклёпанными концами цапф + зажатыми этими-же цапфами шатунами + гнутыми шатунами + провернувшимися центральными подшипниками + искривлениями во всех мыслимых плоскостях!! :shothead:
.....Объём предстоящей работы, её стоимость да и сама надежда на "выздоровление" + натяг во всех прессовых посадках - можно оценить только после полной разборки колена + тщательной дефектовки каждой детали..... :100:
Аватар користувача
Chezara
Старая гвардия
Повідомлень: 1039
З нами з: 15 серпня 2012, 04:42
Мотоцикл: CZ 472.6=>Honda TA650
Звідки: Бровары
Дякував (ла): 0
Подякували: 0
Контактна інформація:

Re: Перепресовка коленвала или как правильно выбрать запы?

Повідомлення Chezara »

Аркад108 писав:Может кто ставил такие? Завтулен и верх и низ :shothead:
Имеется ввиду затуплен игольчатым роликоподшипником с наружным кольцом, или обычный шатун со втулками и вставленными от руки "сепараторами"?
Поскольку после перепресовки своего вала индийско-китайскими шатунами Маде ин Борис, родные припадаю пылью в гараже, и им неспешно ищется комплектующие. Втулки ВГШ и НГШ под выброс, а на их место подбирается что-то (игольчатый с наружным и внутренним (в НГШ)) или без внутреннего. как вариант, если ничего из каталога не подберу-развернуть НГШ до 36 с минусом. Но это по все пока в планах, и то, если не будет чем себя занять.
Життя стає цікавішим, якщо частіше відривали ср@ку від дивану.
Аватар користувача
lelik
Старая гвардия
Повідомлень: 1263
З нами з: 16 лютого 2012, 12:11
Мотоцикл: Jawa: 634-01 (вишневочка), ЧИХ-ПИХ 5
Звідки: г. Переяслав-Хмельницкий
Дякував (ла): 0
Подякували: 0
Контактна інформація:

Re: Перепресовка коленвала или как правильно выбрать запы?

Повідомлення lelik »

Было дело - поставил такие на запасной мотор. Ну пока не заводил. http://roker.kiev.ua/forum/viewtopic.php?f=6&t=2906#p59248
Лично знаю явиста, который 10тыщ на таких "пролётал" - на той люксе, что я забрал как раз такие. И еще видел фото вконтакте, где эти шатуны прошли 15 тыщ - люфтов нет (по описания владельца). Будем надеятся, что и мои себя хорошо зарекомендуют :sotona:
Главное мастер-пресовальщик сказал, что у этих шатунов допуски наилучшие из китая... Вроде как даже индия уступает по допускам НГШ ВГШ...хотя мне мало верится
Если внимательно присмотреться, то кажется, что мои, и те что на фото отчичаются - литьё на моих как бы более качественное... да и ограничивающие шайбы НГШ у меня без тех пупырышков - абсолютно гладкие.
и еще - втулок там нет - там просто монолит (тело шатуна, и места где ролики плавают) как НГШ, так и ВГШ! и метал не плохой...напильник не берет
жизнь хороша, когда едешь не спеша...
Аватар користувача
Аркад108
ньюб
Повідомлень: 19
З нами з: 01 червня 2012, 19:35
Мотоцикл: 350 (634)
Дякував (ла): 0
Подякували: 0
Контактна інформація:

Re: Перепресовка коленвала или как правильно выбрать запы?

Повідомлення Аркад108 »

Уважаем lelik, как раз и спрашиваю , потому, что эти шатуны нового образца с втулками верх, и низ как на оригинальных старых. Продавец просит 240грн, в грудь бъет себя, что Польша. Старых с "цементированими" головками шатунов насмотрелся отличить могу, для Вас фото выложыл.
Что китай понятно, но что то новое, иглы и пальцы натфиль не берет, втулки полированые с нутри, сепараторы токо кака - но это другой вопрос.
Счастье - это не цель жизни, а способ передвижения по жизни!
skinonsan
рокер
Повідомлень: 226
З нами з: 04 грудня 2011, 16:21
Мотоцикл: Много
Звідки: Россия
Дякував (ла): 0
Подякували: 0
Контактна інформація:

Re: Перепресовка коленвала или как правильно выбрать запы?

Повідомлення skinonsan »

Появился вопрос к Олегу Романюку по прессовке валов т.к. все же он появляется здесь чаще чем на других ресурсах. Я давно этим не занимался, но нужда заставила. Ранее прессовал оригинальными сборками в комплекте, иногда с заменой внутренней втулки НГШ.
Да и тот свой набор приспособлений утерян к сожалению. Но сейчас появился новый набор отданный безвозмездно, так что так или иначе можно прессовать. Хотелось бы увидеть, с помощью каких приспособлений прессуешь ты. Можно просто качественное фото, если это не является проф. тайной. Еще есть вопрос по сборкам и ново дельным рем. комплектам НГШ. При пере прессовке нескольких старых валов моделей 559, 350/360, 634 новыми (ново дельными, Чехия) комплектами сложилось впечатление что технология изготовления их, да и сами комплекты несколько отличаются от оригинала натягом, размером для прессовки в более старые детали, т.е. более прослаблены. Речь идет о валах ранее не перебиравшихся, моя переборка первая. Потом скорее могут возникнуть еще вопросы по теме в зависимости от ответов. Спасибо.
Аватар користувача
Аркад108
ньюб
Повідомлень: 19
З нами з: 01 червня 2012, 19:35
Мотоцикл: 350 (634)
Дякував (ла): 0
Подякували: 0
Контактна інформація:

Re: Перепресовка коленвала или как правильно выбрать запы?

Повідомлення Аркад108 »

skinonsan
Извените , что вмешался в Ваш диалог с многоуважаемым Олегом Романюк. Но так как Вы не в лычку ему сообщение отправили, то у нас, славян, есть традиция не с пустыми руками в гости ходить. Свои приспособы выложыте в фотографиях, пожалуйста, ну очень интересно.
Я тоже вот прес хочу 20т купить, да центра и подставку под коленвал заказать кому то.
Счастье - это не цель жизни, а способ передвижения по жизни!
skinonsan
рокер
Повідомлень: 226
З нами з: 04 грудня 2011, 16:21
Мотоцикл: Много
Звідки: Россия
Дякував (ла): 0
Подякували: 0
Контактна інформація:

Re: Перепресовка коленвала или как правильно выбрать запы?

Повідомлення skinonsan »

Дак диалога вроде не было никакого еще. Была просьба, и был задан вопрос.
А так, без проблем, только мои железки находятся в сервисе где занимаюсь переборкой валов, они не 5, и даже не 15 кг. весят -а много больше и таскать их с собой невозможно, в отличие от рабочего места Олега. Как только в очередной раз туда поеду, сфотографирую -мне не жалко. Причем к сожалению, приспособа только для сборки и пере прессовки валов Ява 634, 350/360, а на Яву 638 кое какие элементы нужно доделывать.
Аватар користувача
OlegHunter
рокер
Повідомлень: 471
З нами з: 25 вересня 2009, 10:25
Мотоцикл: JAWA-638, JAWA-250/559, ЧЗ-180/487, ИЖ-П/56, Альфа
Звідки: Киев
Дякував (ла): 0
Подякували: 0
Контактна інформація:

Re: Перепресовка коленвала или как правильно выбрать запы?

Повідомлення OlegHunter »

- Фото одного из моих пресов с подставками для распресовки + приспособка для сборки и на заднем плане собственный токарник ТВ-16 в теме: http://forum.jawaold.su/viewtopic.php?t ... c4dd989ff4 - на стр.№17. Там же - мои рассуждения и обмен опытом........ :smoke2:
skinonsan
рокер
Повідомлень: 226
З нами з: 04 грудня 2011, 16:21
Мотоцикл: Много
Звідки: Россия
Дякував (ла): 0
Подякували: 0
Контактна інформація:

Re: Перепресовка коленвала или как правильно выбрать запы?

Повідомлення skinonsan »

При пере прессовке нескольких старых валов моделей 559, 350/360, 634 новыми (ново дельными, Чехия) комплектами сложилось впечатление что технология изготовления их, да и сами комплекты несколько отличаются от оригинала натягом, размером для прессовки в более старые детали, т.е. более прослаблены. Речь идет о валах ранее не перебиравшихся, моя переборка первая.
Приспособы то в принципе стандартные на твоих фото, но многого не хватает, без чего вал нормально не собрать.
Так же и не получил ответ на свой процитированный еще раз выше. Правда, есть нюанс -если только ты из рем. комплектов валы не прессуешь, а используешь пальцы от Ваз, Газ.
Позже сфотографирую подаренное мне хозяйство. Там еще тоже городить и городить нужно всякие железки.
Аватар користувача
OlegHunter
рокер
Повідомлень: 471
З нами з: 25 вересня 2009, 10:25
Мотоцикл: JAWA-638, JAWA-250/559, ЧЗ-180/487, ИЖ-П/56, Альфа
Звідки: Киев
Дякував (ла): 0
Подякували: 0
Контактна інформація:

Re: Перепресовка коленвала или как правильно выбрать запы?

Повідомлення OlegHunter »

- Прям на этом форуме недавно заявлял своё отношение к поляцко/китайским ремкомплектам: http://roker.kiev.ua/forum/viewtopic ... 1&start=50, а также на самой первой странице ОЛДовского форума. Отвратное их качество и побуждает-то многих искать СВОИ методы восстановления НГШ....
- Касательно приспособ - разумеется, всё и не может быть показано в одной теме! "За кадром" остались: твёрдосплавная чертилка, слесарный угольник, шаберок из трёхгранного напильника + щётка для очистки блинов, керАсинин + кисточка/баночка для мойки, медный/латунный молоток для предварительного монтажа пальцев/цапф и окончательной рихтовки к/вала в сборе, призмы(кусок рельсы) для этой самой рихтовки, два ломика/гвоздодёра для разведения блинов, штангенмометр, весы для взвешивания шатунов, часовой индикатор на стойке для определения биения, ФЭН для нагрева центральных подшипников перед посадкой, сварочный аппарат для наплавки-восстановления посадки, вентилятор для охлаждения, микрометры для определения посадочных диаметров, плашка М18х1,5 в держателе для калибровки резьбы левой цапфы, метчик М6 для прогонки генераторной резьбы, банка с "солидолом" для сборки насыпных роликов старух/ИЖей, пинцет для сборки+магнит для их поиска, спец-резцы с гексанитовыми(эльборовыми) напайками для точения колец из подшипников, муфельная печь для отпуска/закалки, второй самодельный рихтовочный гидропрес, справочная литература как по самим мотикам так и по токарному делу/металловедению/термообработке... :smoke2:
skinonsan
рокер
Повідомлень: 226
З нами з: 04 грудня 2011, 16:21
Мотоцикл: Много
Звідки: Россия
Дякував (ла): 0
Подякували: 0
Контактна інформація:

Re: Перепресовка коленвала или как правильно выбрать запы?

Повідомлення skinonsan »

Новогоднюю шутку юмора понял, Олег. Но право, -ради этого не стоило столько букв печатать.
И все же,... возможно в последний раз повторюсь с вопросом:
1 -отношение к польско -китайским комплектам я понял. Но ведь и Чешские комплекты попадаются прослабленные под старые Чехословацкие не прессованные щеки валов -что в этом случае делаешь?
Или прессовка НГШ заключается только в подборе пальцев и игл вышеупомянутых производителей авто для этого?
2 -про наплавку и последующую проточку прослабленной ЦП под посадку подшипников ясно давно. Не ясно, что делаешь с ослабленными даже после 1 прессовки посадочными местами внутренних щек валов и, или их ЦП, - тоже наплавляешь и протачиваешь под размер? Ведь вал, даже аккуратно -выдерживает только одну нормальную прессовку по посадочным местам, и то не всегда.
3 -чем достигаешь равномерность захода шатунного пальца НГШ в щеки, как соблюдаешь дистанцию между щек при прессовке сборки НГШ (с помощью каких приспособлений), и соответственно расстояние между ними (ведь не секрет, что расстояние в сборках между щек валов разных моделей Яв- разное ). Мало того, ново дельные Чешские комплекты отличаются шириной от Чехословацких сборок.
Хотелось бы также прочитать твой алгоритм (очередность) сборки вала после его полной разборки и ремонта, если не влом.
4 -как прессуешь валы в сборке НГШ -за один ход пресса, или потом допрессовываешь?
Пока так.
Відповісти

Повернутись до “Цилиндро-поршневая группа”

Хто зараз онлайн

Користувачі, які зараз переглядають цей форум: Немає зареєстрованих користувачів