JAWA 638-5-00 Полтава
- Vadka
- рокер
- Повідомлень: 251
- З нами з: 03 вересня 2014, 19:08
- Мотоцикл: JAWA 634-7-00
- Звідки: Полтава
- Дякував (ла): 0
- Подякували: 0
- Контактна інформація:
Re: JAWA 638-5-00 Полтава
Всім привіт! Потрібна допомога знатоків, ніяк не можу визначитися з гофрами передньої вилки. Які гофри і хомути повинні стояти на моїй Яві?
Із рідної книжки - нижній хомут від 634-ї, а верхній свій.
- vitaliy_634.5
- рокер
- Повідомлень: 210
- З нами з: 11 червня 2013, 09:48
- Мотоцикл: cz472.4 jawa 634.5 jawa 634/5+velorex 562 ММВЗ 3.112 CZ 250 455/05 ЗИФ-77
- Звідки: Киев
- Дякував (ла): 0
- Подякували: 0
- Контактна інформація:
Re: JAWA 638-5-00 Полтава
Те, гофры что справа с твоей модели, а что касается хомутов, так на 634-ках ставили срециальные кольца , пружинящие. хомутов небыло.
- валико
- Старая гвардия
- Повідомлень: 1109
- З нами з: 13 липня 2012, 18:49
- Мотоцикл: MZ ETZ250
- Звідки: Мерефа Харьковской обл.
- Дякував (ла): 0
- Подякували: 0
- Контактна інформація:
Re: JAWA 638-5-00 Полтава
С 638-5 те что слева. В верхней части они одевались на перо вилки через разрезное пластиковое кольцо и если не ошибаюсь во второй складке гофры сверху должно быть отверстие под металлический штуцерок для выхода воздуха во время сжатия гофры. На штуцерок одевалась резиновая трубочка, которая заправлялась в трубу рулевой колонки. Хомуты были оцинкованые с привареной гаечкой и затягивались винтиком.. Если интересно могу поискать хомутик и выложить фото.
Ich fahre eine,ich repariert eine
- vitaliy_634.5
- рокер
- Повідомлень: 210
- З нами з: 11 червня 2013, 09:48
- Мотоцикл: cz472.4 jawa 634.5 jawa 634/5+velorex 562 ММВЗ 3.112 CZ 250 455/05 ЗИФ-77
- Звідки: Киев
- Дякував (ла): 0
- Подякували: 0
- Контактна інформація:
Re: JAWA 638-5-00 Полтава
валико писав:С 638-5 те что слева. В верхней части они одевались на перо вилки через разрезное пластиковое кольцо и если не ошибаюсь во второй складке гофры сверху должно быть отверстие под металлический штуцерок для выхода воздуха во время сжатия гофры. На штуцерок одевалась резиновая трубочка, которая заправлялась в трубу рулевой колонки. Хомуты были оцинкованые с привареной гаечкой и затягивались винтиком.. Если интересно могу поискать хомутик и выложить фото.
Все правильно говоришь, только гофры слева 634-ные. такие себе ставил, по мануалу они фиксируются кольцами , а не хомутами. на 638-мых и на ЧЗ начиная с 472.5 были те трубочки о которых ты говоришь.
- Vadka
- рокер
- Повідомлень: 251
- З нами з: 03 вересня 2014, 19:08
- Мотоцикл: JAWA 634-7-00
- Звідки: Полтава
- Дякував (ла): 0
- Подякували: 0
- Контактна інформація:
Re: JAWA 638-5-00 Полтава
Тобто, зверху і знизу хомути були однакові? На гофрах зліва немає отвору під штуцер, може в когось є фото оригінальної гофри з отвором? А у Яви 634.8.15 і 634.7 також повин бути отвір в гофрах під штуцер?валико писав:С 638-5 те что слева. В верхней части они одевались на перо вилки через разрезное пластиковое кольцо и если не ошибаюсь во второй складке гофры сверху должно быть отверстие под металлический штуцерок для выхода воздуха во время сжатия гофры. На штуцерок одевалась резиновая трубочка, которая заправлялась в трубу рулевой колонки. Хомуты были оцинкованые с привареной гаечкой и затягивались винтиком.. Если интересно могу поискать хомутик и выложить фото.
- валико
- Старая гвардия
- Повідомлень: 1109
- З нами з: 13 липня 2012, 18:49
- Мотоцикл: MZ ETZ250
- Звідки: Мерефа Харьковской обл.
- Дякував (ла): 0
- Подякували: 0
- Контактна інформація:
Re: JAWA 638-5-00 Полтава
Да, вверху и внизу диаметр хомутов одинаковый.
Ich fahre eine,ich repariert eine
- vitaliy_634.5
- рокер
- Повідомлень: 210
- З нами з: 11 червня 2013, 09:48
- Мотоцикл: cz472.4 jawa 634.5 jawa 634/5+velorex 562 ММВЗ 3.112 CZ 250 455/05 ЗИФ-77
- Звідки: Киев
- Дякував (ла): 0
- Подякували: 0
- Контактна інформація:
Re: JAWA 638-5-00 Полтава
Vadka писав:Тобто, зверху і знизу хомути були однакові? На гофрах зліва немає отвору під штуцер, може в когось є фото оригінальної гофри з отвором? А у Яви 634.8.15 і 634.7 також повин бути отвір в гофрах під штуцер?валико писав:С 638-5 те что слева. В верхней части они одевались на перо вилки через разрезное пластиковое кольцо и если не ошибаюсь во второй складке гофры сверху должно быть отверстие под металлический штуцерок для выхода воздуха во время сжатия гофры. На штуцерок одевалась резиновая трубочка, которая заправлялась в трубу рулевой колонки. Хомуты были оцинкованые с привареной гаечкой и затягивались винтиком.. Если интересно могу поискать хомутик и выложить фото.
ні, на 634.7 та 8.15, немає штуцерів. там повітря при роботі вилки виходило через отвори пробки зверху. Став ті що праворуч, і все тут. Гофри на 634-ках встановлюються на спеціальних тарілках,які не надто щільно сидять на опорних місцях, і повітря виходить при роботі вільно, на 638-мих,там все майже герметично і повітря повинно постійно "гуляти" з гофри в гофру (доречі, якщо закрити отвори вентиляціі гофри, при роботі вона порветься).
-
Славік
- Маньячара
- Повідомлень: 417
- З нами з: 11 серпня 2011, 19:59
- Мотоцикл: ЯВА 350 638-0-01
- Звідки: Україна, м. Івано-Франківськ.
- Дякував (ла): 0
- Подякували: 0
- Контактна інформація:
Re: JAWA 638-5-00 Полтава
Хлопці привіт,цікава полеміка про гофри, На 634 і на 638-5-00 перехідну та на 638-0-00,ставились однакові гофри ,ті що з ліва ,грубші ,діаметр з верху та з низу однаковий, з верху ставилось пластикове кольцо (з розрізом), з низу одівалось на 643 на проставку ,відповідного діаметру ,а на 638 зразу на стакан пера. З приводу канавок так дійсно на цих гофрах (грубших),є канавки під спеціальне металічне кільце ,і ці кольца ставились на 634 модель ,а на 638, іх замінили спеціальними хомутами по які згадувалось вище, чому лишились гофри такі самі ,все дуже просто планова економіка , перевиробництво. З приводу каналу виходу повітря ,в товстих гофрах під другою з верху гофрою виходить металічний сапун .Чому на гофрах його нема ,все просто сапун поставлявся окремо ,бувало і разом . Такі справи.
- Vadka
- рокер
- Повідомлень: 251
- З нами з: 03 вересня 2014, 19:08
- Мотоцикл: JAWA 634-7-00
- Звідки: Полтава
- Дякував (ла): 0
- Подякували: 0
- Контактна інформація:
Re: JAWA 638-5-00 Полтава
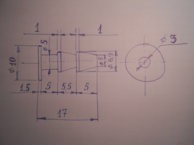
Оце так лікбез, дякую! В тебе, часом, немеє розмірів і фото металевого сапуна?
- Vadka
- рокер
- Повідомлень: 251
- З нами з: 03 вересня 2014, 19:08
- Мотоцикл: JAWA 634-7-00
- Звідки: Полтава
- Дякував (ла): 0
- Подякували: 0
- Контактна інформація:
Re: JAWA 638-5-00 Полтава
Угу, він! Можеш зняти розміри (зовнішній діаметр, внутрішній діаметр, довжину)?
- Vadka
- рокер
- Повідомлень: 251
- З нами з: 03 вересня 2014, 19:08
- Мотоцикл: JAWA 634-7-00
- Звідки: Полтава
- Дякував (ла): 0
- Подякували: 0
- Контактна інформація:
Re: JAWA 638-5-00 Полтава
Всім привіт! По нікелювали детальки, ще не все відполірувув, до полірував майже всі болти из нержавійки (на фото лише частина) і почав по трошку складати мот.


Також підготував до сезону свій опозит:




Також підготував до сезону свій опозит:


-
oleksa
- Старая гвардия
- Повідомлень: 2119
- З нами з: 26 жовтня 2010, 17:06
- Мотоцикл: Yamaha TW-200, Иж-56, Карпаты-2
- Звідки: Киевская обл. г.Украинка
- Дякував (ла): 0
- Подякували: 2 рази
- Контактна інформація:
Re: JAWA 638-5-00 Полтава
Даешь отдельную тему про оппозит
Я смотрю что присутствует тюнинг, но все так с толком сделано.
Я смотрю что присутствует тюнинг, но все так с толком сделано.
- Vadka
- рокер
- Повідомлень: 251
- З нами з: 03 вересня 2014, 19:08
- Мотоцикл: JAWA 634-7-00
- Звідки: Полтава
- Дякував (ла): 0
- Подякували: 0
- Контактна інформація:
Re: JAWA 638-5-00 Полтава
Добре, на днях зроблю ще свіжих фото і відкрию окрему тему де більш детально розповім про Урал.
- vladuna
- Старая гвардия
- Повідомлень: 1135
- З нами з: 10 лютого 2011, 18:51
- Мотоцикл: Jawa 350 638, ИЖ 56, Рига 26
- Звідки: Киев
- Дякував (ла): 0
- Подякували: 0
- Контактна інформація:
Re: JAWA 638-5-00 Полтава
Где никель делал??? 
Нужно знать предмет, о котором говоришь, в точности и подробности, выяснив себе вполне его положительные и отрицательные свойства... А. Ф. Кони.
- MilesTails
- Старая гвардия
- Повідомлень: 871
- З нами з: 10 липня 2013, 00:02
- Мотоцикл: Иж Ю3/Viper Active
- Звідки: Київ Троєщина
- Дякував (ла): 0
- Подякували: 0
- Контактна інформація:
Re: JAWA 638-5-00 Полтава
Також чекаю темку про оппозіт. Якби не геморой, може б теж такого склав але з двіжком К750...
- Vadka
- рокер
- Повідомлень: 251
- З нами з: 03 вересня 2014, 19:08
- Мотоцикл: JAWA 634-7-00
- Звідки: Полтава
- Дякував (ла): 0
- Подякували: 0
- Контактна інформація:
Re: JAWA 638-5-00 Полтава
Підкажіть як правильно встановлюються передні підніжки? Якщо поставити так як на фото, то кік впирається в підніжку і хід малуватий.


- nik_2
- Старая гвардия
- Повідомлень: 1088
- З нами з: 28 серпня 2013, 08:44
- Мотоцикл: Minsk 125
- Звідки: Киев (Буча)
- Дякував (ла): 0
- Подякували: 0
- Контактна інформація:
Re: JAWA 638-5-00 Полтава
Я теж задавав це питання. Як я з'ясував, то кронштейн кріплення має стояти вертикально вгору. Щоб кік не доставав до ніжки опусти (проти часової проверни) його трішки. Якщо він має занадто великий осьовий люфт - перевір суміжні з ним деталі (вал і так далі) на предмет зносу або злизаних фасок тощо.Vadka писав:Підкажіть як правильно встановлюються передні підніжки?
"Мечтай так, как будто будешь жить вечно!
Живи так, как будто завтра умрешь!" © В.Цой
-Обьем мозга должен справляться с обьемом двигуна!
Живи так, как будто завтра умрешь!" © В.Цой
-Обьем мозга должен справляться с обьемом двигуна!
- Vadka
- рокер
- Повідомлень: 251
- З нами з: 03 вересня 2014, 19:08
- Мотоцикл: JAWA 634-7-00
- Звідки: Полтава
- Дякував (ла): 0
- Подякували: 0
- Контактна інформація:
Re: JAWA 638-5-00 Полтава
Всім привіт! На сьогодні Ява має такий вигляд:
Залишилося пофарбувати облицювання, хомути і шлангочки на горфри передньої вилки встановлю разом з переднім щитком.
Лівий бардачкок був в середені сильно ржавий, тож його "розібрав" відпіскоструїти, погрунтував і назад "зібрав". Доречі фото самої піскоструйки:
Лівий бардачкок був в середені сильно ржавий, тож його "розібрав" відпіскоструїти, погрунтував і назад "зібрав". Доречі фото самої піскоструйки:
Хто зараз онлайн
Користувачі, які зараз переглядають цей форум: Немає зареєстрованих користувачів
