Не работают поворотники

Відповісти
FGTEAM
ньюб
Повідомлень: 5
З нами з: 11 січня 2011, 15:19
Мотоцикл: JAWA 350/638
Дякував (ла): 0
Подякували: 0
Контактна інформація:

Не работают поворотники

Повідомлення FGTEAM »

Я поставил реле поворотников от ВАЗ 2109 так как родное сгорело,ну так вот само реле щелкоет а поворотки не моргают и на панеле тоже
В чем дело?подскажите пожалуйста
Аватар користувача
yur4ik2402
рокер
Повідомлень: 245
З нами з: 25 січня 2011, 21:53
Мотоцикл: ява 350-638
Звідки: Беларусь,Гомель
Дякував (ла): 0
Подякували: 0
Контактна інформація:

Re: Не работают поворотники

Повідомлення yur4ik2402 »

может аккумулятор слабый?Или лампочки по 10 ватт(а не 21) стоят в поворотах..

Лампочки проверь.Может сгорела лампа на приборке.Если правильно подключил - должно работать.

Возможно что старое реле сгорело не само по себе.Ему помогло короткое в проводке..Или еще чего-нить..Тут надо проверять неспеша.Лампочки посмотреть,проводку прозвонить(с выкрученными лампочками),заведомо испарвное реле поставить.
fredde
мелко рокер
Повідомлень: 36
З нами з: 12 березня 2010, 12:13
Мотоцикл: JAWA 638
Звідки: Киев
Дякував (ла): 0
Подякували: 0
Контактна інформація:

Re: Не работают поворотники

Повідомлення fredde »

я поставил себе от МТ за 22 гривны нашего производства,родную можешь купить(аля Чехия но в лучшем случае Польша) за 70 или Китай за 20!
FGTEAM
ньюб
Повідомлень: 5
З нами з: 11 січня 2011, 15:19
Мотоцикл: JAWA 350/638
Дякував (ла): 0
Подякували: 0
Контактна інформація:

Re: Не работают поворотники

Повідомлення FGTEAM »

Сегодня пойду проверю все :)
Аватар користувача
kiselandrew
АВАТАР ААНГ
Повідомлень: 2860
З нами з: 25 травня 2009, 14:11
Мотоцикл: none
Звідки: Novgorod-Siverskiy, UA
Дякував (ла): 0
Подякували: 0
Контактна інформація:

Re: Не работают поворотники

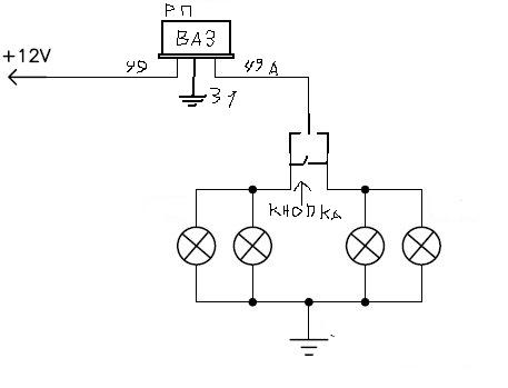
Повідомлення kiselandrew »

Так подключал?
Вкладення
Реле ваз.jpg
https://www.strava.com/athletes/20928928
Аватар користувача
yur4ik2402
рокер
Повідомлень: 245
З нами з: 25 січня 2011, 21:53
Мотоцикл: ява 350-638
Звідки: Беларусь,Гомель
Дякував (ла): 0
Подякували: 0
Контактна інформація:

Re: Не работают поворотники

Повідомлення yur4ik2402 »

Лампочку приборную забыли нарисовать))
Аватар користувача
Aleks1978
Старая гвардия
Повідомлень: 4206
З нами з: 15 вересня 2009, 17:56
Мотоцикл: 350/634
Звідки: Харківська область,Борівщіна
Дякував (ла): 2 рази
Подякували: 0
Контактна інформація:

Re: Не работают поворотники

Повідомлення Aleks1978 »

не блимають.лiвi не свiтять,а правi слабо.змiнив реле 5хв.посвiтив правi,вiдiрвав провiд ,припаяв-нiче не свiте зовсiм.тiльки напряму.
095 02 63 867юмс і 063 624 72 60 лайф (вайбер і телеграм)[/color] Саня.
Держи и ум,и душу в чистоте.Тогда и процветание будет мудрым.
Відповісти

Повернутись до “Электрика”

Хто зараз онлайн

Користувачі, які зараз переглядають цей форум: Немає зареєстрованих користувачів