Установка АКБ на Восход 3М
- Андрей 96
- Старая гвардия
- Повідомлень: 1276
- З нами з: 07 грудня 2011, 11:25
- Мотоцикл: JAWA 350 640 2010г.в. JAWA 350 634-5-1979г.в. Восход 2 1975г.в.
- Звідки: Россия Московская Обл.
- Дякував (ла): 0
- Подякували: 0
- Контактна інформація:
Re: Установка АКБ на Восход 3М
Xedox вопрос по ЗУ ? а куда присоединить ключ зажигания? у тебя как подключен.
- XedoX
- уважаемый
- Повідомлень: 519
- З нами з: 28 січня 2012, 19:34
- Мотоцикл: GS500E, Восход 3М, Рига-22
- Звідки: Київ
- Дякував (ла): 0
- Подякували: 0
- Контактна інформація:
Re: Установка АКБ на Восход 3М
у меня по "хитрому":
ключ одновременно выкорачивает датчик и через реле отключает + от батареи;
в включенном состоянии датчик в норм положении и включается реле которое подает + на потребители)
понял не? =)
ключ одновременно выкорачивает датчик и через реле отключает + от батареи;
в включенном состоянии датчик в норм положении и включается реле которое подает + на потребители)
понял не? =)
Загробная жизнь начинается после 200 км/ч
- Андрей 96
- Старая гвардия
- Повідомлень: 1276
- З нами з: 07 грудня 2011, 11:25
- Мотоцикл: JAWA 350 640 2010г.в. JAWA 350 634-5-1979г.в. Восход 2 1975г.в.
- Звідки: Россия Московская Обл.
- Дякував (ла): 0
- Подякували: 0
- Контактна інформація:
Re: Установка АКБ на Восход 3М
Сегодня вот тоже сделал ЗУ к восходу ,осталось подлючить . 
Востаннє редагувалось 04 листопада 2012, 09:04 користувачем Андрей 96, всього редагувалось 2 разів.
- XedoX
- уважаемый
- Повідомлень: 519
- З нами з: 28 січня 2012, 19:34
- Мотоцикл: GS500E, Восход 3М, Рига-22
- Звідки: Київ
- Дякував (ла): 0
- Подякували: 0
- Контактна інформація:
Re: Установка АКБ на Восход 3М
Акуратно получилось
Перед установкой неплохо бы проверить - работает или не, а то всякое бывает
Подай на вход больше 14В и посмотри чтобы на выходе было 14В
Перед установкой неплохо бы проверить - работает или не, а то всякое бывает
Подай на вход больше 14В и посмотри чтобы на выходе было 14В
Загробная жизнь начинается после 200 км/ч
- Андрей 96
- Старая гвардия
- Повідомлень: 1276
- З нами з: 07 грудня 2011, 11:25
- Мотоцикл: JAWA 350 640 2010г.в. JAWA 350 634-5-1979г.в. Восход 2 1975г.в.
- Звідки: Россия Московская Обл.
- Дякував (ла): 0
- Подякували: 0
- Контактна інформація:
Re: Установка АКБ на Восход 3М
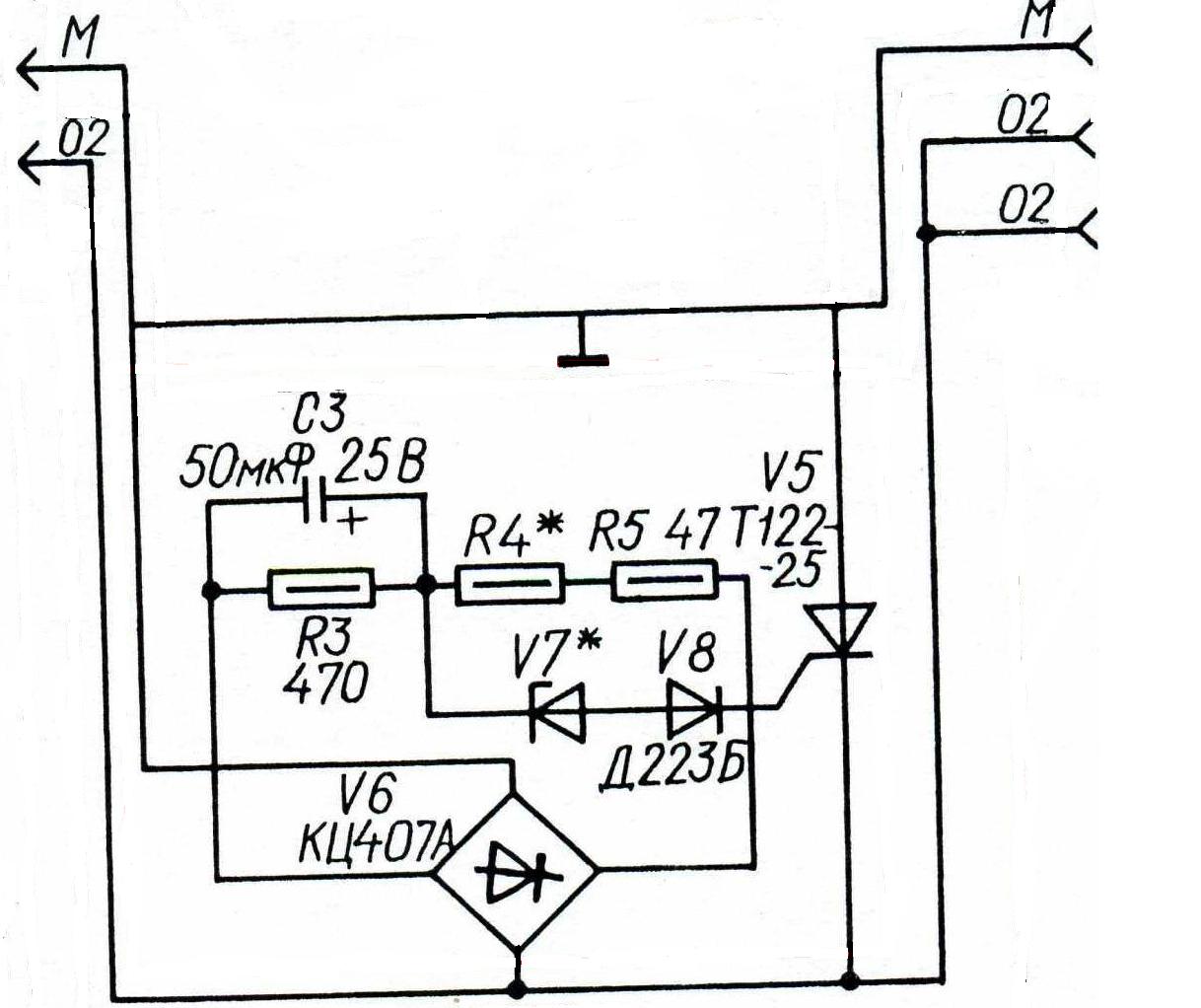
Делая себе ЗУ вот нашел еще один самый простой вариант переделки,может кому понадобиться.Установка АКБ на Восход.
-
Николай KS
- ньюб
- Повідомлень: 5
- З нами з: 16 січня 2013, 19:24
- Мотоцикл: Pannonia T5, МИНСК 3.112
- Звідки: Украина,Харьковская область.
- Дякував (ла): 0
- Подякували: 0
- Контактна інформація:
Re: Установка АКБ на Восход 3М
Кто-то может изготовить такое зарядное устройство под заказ за деньги?буду очень благодарен!!!!
- Андрей 96
- Старая гвардия
- Повідомлень: 1276
- З нами з: 07 грудня 2011, 11:25
- Мотоцикл: JAWA 350 640 2010г.в. JAWA 350 634-5-1979г.в. Восход 2 1975г.в.
- Звідки: Россия Московская Обл.
- Дякував (ла): 0
- Подякували: 0
- Контактна інформація:
Re: Установка АКБ на Восход 3М
Хмм.сделать так то не сложно!
Сложнее с отправкой на Украину,почты рядом нету.
на детали потратил рублей 150,дорога до Москвы,время и беготня по радиорынкам встают в копеечку. 
-
Николай KS
- ньюб
- Повідомлень: 5
- З нами з: 16 січня 2013, 19:24
- Мотоцикл: Pannonia T5, МИНСК 3.112
- Звідки: Украина,Харьковская область.
- Дякував (ла): 0
- Подякували: 0
- Контактна інформація:
- Андрей 96
- Старая гвардия
- Повідомлень: 1276
- З нами з: 07 грудня 2011, 11:25
- Мотоцикл: JAWA 350 640 2010г.в. JAWA 350 634-5-1979г.в. Восход 2 1975г.в.
- Звідки: Россия Московская Обл.
- Дякував (ла): 0
- Подякували: 0
- Контактна інформація:
Re: Установка АКБ на Восход 3М
Николай! заполни профиль свой полнастью где, от куда ты.форум видь UA.земляков найдешь.
Названия деталей написаны на схеме.З.У.где применяються незнаю?это прошлый век.
сейчас НаноТехнологии.
-
Николай KS
- ньюб
- Повідомлень: 5
- З нами з: 16 січня 2013, 19:24
- Мотоцикл: Pannonia T5, МИНСК 3.112
- Звідки: Украина,Харьковская область.
- Дякував (ла): 0
- Подякували: 0
- Контактна інформація:
Re: Установка АКБ на Восход 3М
кто может сделать релюшку под заказ!!!!КУПЛЮ!
Все остальные переговоры на эту тему в ЛС или в соответствующие разделы. Н.
Все остальные переговоры на эту тему в ЛС или в соответствующие разделы. Н.
- gricenko_andrey
- мож че и выростит
- Повідомлень: 102
- З нами з: 03 вересня 2012, 18:36
- Мотоцикл: иж планета 56
- Звідки: Харьков
- Дякував (ла): 0
- Подякували: 0
- Контактна інформація:
Re: Установка АКБ на Восход 3М
Люди скажите есть разница если поставить катушку зажигания 6 вольт на 12 вольтовый ген ведь напряжение на катушку и там и там одинаковое 150 вольт? И по поводу бкс есть ли разница для зажигания бкс 262 или бкс 252 один 12 другой 6 вольт
Все великие дела начинаются не со "слов я смогу, я сделаю" , а со слов" ну хер с ним давай попробуем"!
- А.Б.М
- рокер
- Повідомлень: 479
- З нами з: 08 квітня 2012, 05:58
- Мотоцикл: kawasaki er-500
- Звідки: Днепропетровская обл.
- Дякував (ла): 0
- Подякували: 0
- Контактна інформація:
Re: Установка АКБ на Восход 3М
Для этой зажигалки нету 6 или 12в катушек, будут работать все, минск, мопед или восход. Для бкс-ов тоже разницы нет, на зажигании все будут работать одинаково.
Если вы сможете найти пути без каких-либо препятствий, он, вероятно, никуда не ведет.
Эрнесто Че Гевара
Эрнесто Че Гевара
- gricenko_andrey
- мож че и выростит
- Повідомлень: 102
- З нами з: 03 вересня 2012, 18:36
- Мотоцикл: иж планета 56
- Звідки: Харьков
- Дякував (ла): 0
- Подякували: 0
- Контактна інформація:
Re: Установка АКБ на Восход 3М
разница есть только для питающей стороны если поставить 6 вольтовую на 12 будет срезать до 6 вольт?
Все великие дела начинаются не со "слов я смогу, я сделаю" , а со слов" ну хер с ним давай попробуем"!
- А.Б.М
- рокер
- Повідомлень: 479
- З нами з: 08 квітня 2012, 05:58
- Мотоцикл: kawasaki er-500
- Звідки: Днепропетровская обл.
- Дякував (ла): 0
- Подякували: 0
- Контактна інформація:
Re: Установка АКБ на Восход 3М
Именно, но скорее всего бкс на 6в при питании в 12в быстро скончается, слишком много придется на себя брать тиристору.
Если вы сможете найти пути без каких-либо препятствий, он, вероятно, никуда не ведет.
Эрнесто Че Гевара
Эрнесто Че Гевара
- gricenko_andrey
- мож че и выростит
- Повідомлень: 102
- З нами з: 03 вересня 2012, 18:36
- Мотоцикл: иж планета 56
- Звідки: Харьков
- Дякував (ла): 0
- Подякували: 0
- Контактна інформація:
Re: Установка АКБ на Восход 3М
У меня стоит бкс252 это 6 вольтовый пробывал в домашних условияхподавать на него с блока питания от 6 до 16 выходит так-же от 6 до 16 без изменений только постоянка
Все великие дела начинаются не со "слов я смогу, я сделаю" , а со слов" ну хер с ним давай попробуем"!
- А.Б.М
- рокер
- Повідомлень: 479
- З нами з: 08 квітня 2012, 05:58
- Мотоцикл: kawasaki er-500
- Звідки: Днепропетровская обл.
- Дякував (ла): 0
- Подякували: 0
- Контактна інформація:
Re: Установка АКБ на Восход 3М
Постоянку он регулировать не будет, не удивительно что у тебя получились такие результаты. Генератор выдает переменку а бкс гасит одну волну (положительную или отрицательную, не помню)
У меня на планете тоже стоит мопедовский бкс на зажигалке, а напряжение в борт сети стабилизирует самодельный стабилизатор.
У меня на планете тоже стоит мопедовский бкс на зажигалке, а напряжение в борт сети стабилизирует самодельный стабилизатор.
Востаннє редагувалось 16 червня 2013, 06:33 користувачем А.Б.М, всього редагувалось 1 раз.
Если вы сможете найти пути без каких-либо препятствий, он, вероятно, никуда не ведет.
Эрнесто Че Гевара
Эрнесто Че Гевара
- gricenko_andrey
- мож че и выростит
- Повідомлень: 102
- З нами з: 03 вересня 2012, 18:36
- Мотоцикл: иж планета 56
- Звідки: Харьков
- Дякував (ла): 0
- Подякували: 0
- Контактна інформація:
Re: Установка АКБ на Восход 3М
я подавал переменку а смотрел уже по выходу постоянку
Все великие дела начинаются не со "слов я смогу, я сделаю" , а со слов" ну хер с ним давай попробуем"!
- gricenko_andrey
- мож че и выростит
- Повідомлень: 102
- З нами з: 03 вересня 2012, 18:36
- Мотоцикл: иж планета 56
- Звідки: Харьков
- Дякував (ла): 0
- Подякували: 0
- Контактна інформація:
Re: Установка АКБ на Восход 3М
если можно схему стабилизатора или на словах
Все великие дела начинаются не со "слов я смогу, я сделаю" , а со слов" ну хер с ним давай попробуем"!
- А.Б.М
- рокер
- Повідомлень: 479
- З нами з: 08 квітня 2012, 05:58
- Мотоцикл: kawasaki er-500
- Звідки: Днепропетровская обл.
- Дякував (ла): 0
- Подякували: 0
- Контактна інформація:
Re: Установка АКБ на Восход 3М
Могу сказать вот что, когда делал самодельный стабилизатор тоже хотел проверить его от блока чтобы отрегулировать напряжение, нифига путевого с этого не вышло, он просто не работал. Когда установил на мот заработал без проблем, подобрал резистор чтобы он срезал напряжение на 14в и все гуд, вот уже пол года катаюсь.gricenko_andrey писав:я подавал переменку а смотрел уже по выходу постоянку
Схема стабилизатора стандартная, такая как у бкс-ов, просто собрана на современных компонентах и надежней чем оригинал.
Если вы сможете найти пути без каких-либо препятствий, он, вероятно, никуда не ведет.
Эрнесто Че Гевара
Эрнесто Че Гевара
- gricenko_andrey
- мож че и выростит
- Повідомлень: 102
- З нами з: 03 вересня 2012, 18:36
- Мотоцикл: иж планета 56
- Звідки: Харьков
- Дякував (ла): 0
- Подякували: 0
- Контактна інформація:
Re: Установка АКБ на Восход 3М
выложи схему с названиями компонентов
Все великие дела начинаются не со "слов я смогу, я сделаю" , а со слов" ну хер с ним давай попробуем"!
- А.Б.М
- рокер
- Повідомлень: 479
- З нами з: 08 квітня 2012, 05:58
- Мотоцикл: kawasaki er-500
- Звідки: Днепропетровская обл.
- Дякував (ла): 0
- Подякували: 0
- Контактна інформація:
Re: Установка АКБ на Восход 3М
Схема как я и сказал стандартная. Диодный мост собран с диодов 1N4007, вместо Д223Б тоже 1N4007. Конденсатор 47мкФ 50в. Стабилитрон тоже современный одноватный, на сколько вольт смотри в литературе. Резисторы тоже помойму брал 1Вт. Тиристор остался родной, так как оказался рабочим.
Собрано все на радиаторе, довольно таки компактно:


Собрано все на радиаторе, довольно таки компактно:


Если вы сможете найти пути без каких-либо препятствий, он, вероятно, никуда не ведет.
Эрнесто Че Гевара
Эрнесто Че Гевара
- old_school
- мелко рокер
- Повідомлень: 30
- З нами з: 06 червня 2013, 04:39
- Мотоцикл: ИЖ-П 1965г/в, ИЖ-П2 1969г/в
- Звідки: Днепродзержинск, Днепропетровская обл.
- Дякував (ла): 0
- Подякували: 0
- Контактна інформація:
Re: Установка АКБ на Восход 3М
зачем изобретать велосипед если есть готовые решения: http://scooter-remont.com/?p=3128 (это не реклама, а просто пример) и габариты не большие и ремонтопригодность и цена вопроса 40 грн. себе поставил - горя не знаю )))
- gricenko_andrey
- мож че и выростит
- Повідомлень: 102
- З нами з: 03 вересня 2012, 18:36
- Мотоцикл: иж планета 56
- Звідки: Харьков
- Дякував (ла): 0
- Подякували: 0
- Контактна інформація:
Re: Установка АКБ на Восход 3М
Вопрос как мне поставить такой на восходовский ген там нет катушки довозбуждения генаold_school писав:зачем изобретать велосипед если есть готовые решения: http://scooter-remont.com/?p=3128 (это не реклама, а просто пример) и габариты не большие и ремонтопригодность и цена вопроса 40 грн. себе поставил - горя не знаю )))
Все великие дела начинаются не со "слов я смогу, я сделаю" , а со слов" ну хер с ним давай попробуем"!
- old_school
- мелко рокер
- Повідомлень: 30
- З нами з: 06 червня 2013, 04:39
- Мотоцикл: ИЖ-П 1965г/в, ИЖ-П2 1969г/в
- Звідки: Днепродзержинск, Днепропетровская обл.
- Дякував (ла): 0
- Подякували: 0
- Контактна інформація:
Re: Установка АКБ на Восход 3М
на выходе из коммутатора берешь 4 вывода: О2 и М заводишь на клеммы В и С выпрямителя-регулятора напряжения см картинку:
и от клемм выпрямителя-регулятора напряжения: А на плюс аккумулятора и на выключатели световых приборов, Д на минус аккумулятора и на массу; клеммы К - катушка и Д - двигатель стоп коммутатора на штатные места.
вот и вся арифметика
и от клемм выпрямителя-регулятора напряжения: А на плюс аккумулятора и на выключатели световых приборов, Д на минус аккумулятора и на массу; клеммы К - катушка и Д - двигатель стоп коммутатора на штатные места.вот и вся арифметика
Востаннє редагувалось 17 червня 2013, 15:46 користувачем old_school, всього редагувалось 1 раз.
Хто зараз онлайн
Користувачі, які зараз переглядають цей форум: Немає зареєстрованих користувачів