Плохая зарядка...
- Alon
- рокер
- Повідомлень: 168
- З нами з: 06 грудня 2013, 11:05
- Мотоцикл: Jawa
- Звідки: Винницкая обл. г. Бар
- Дякував (ла): 0
- Подякували: 0
- Контактна інформація:
Плохая зарядка...
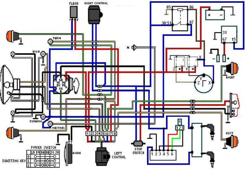
Здравствуйте у меня такая проблема, у меня ява 634, проводка вся ява 638, диодный мост мик-35, РР ваз,реле контроля лампы ваз, генератор ява 638 а зарядку начинает давать при 2000 оборотов, 12,5вт при 3000 оборотов 13,5вт но когда включаю свет то зарядка 10,5вт. Я уже все перепробовал статор менял, якорь тестером проганял 6,5ом. Подскажите, посоветуйте в чом проблема уже 3 дня играюсь
Думаю установить уже себе генератор от ижа.
- Vitaha_N
- Старая гвардия
- Повідомлень: 1612
- З нами з: 05 січня 2011, 21:05
- Мотоцикл: Jawa, Suzuki
- Звідки: Кривой Рог
- Дякував (ла): 0
- Подякували: 0
- Контактна інформація:
Re: Плохая зарядка...
MIC35 это однофазный мост? У тебя их два? Померяй переменное напряжение каждой из фаз на входе мостов, бывает что причиной зарядки только на повышенных оборотах является обрыв в цепи одной из фаз, ну и мосты прозвони для верности, вдруг один дохлый
- lelik
- Старая гвардия
- Повідомлень: 1263
- З нами з: 16 лютого 2012, 12:11
- Мотоцикл: Jawa: 634-01 (вишневочка), ЧИХ-ПИХ 5
- Звідки: г. Переяслав-Хмельницкий
- Дякував (ла): 0
- Подякували: 0
- Контактна інформація:
Re: Плохая зарядка...
Поддержу идею про отсутствие одной из фаз (или один из мостов подпаленный) - можно попробовать перекинуть на свободный канал, если у тебя два однофазных моста.
Так же проверить работу фаз можно путем отсоединения по одной при работе мотора на ХХ и смотреть на вольтметр..если при отсоединении какой либо показания не меняются или практически не меняются то скорей всего она не работает.\
Так же следует проверить АКБ - если он закороченый, то может быть подобное явление..но при этом заряд он будет держать...только номинал будет 10-11в. (попробуй с другим АКБ)
Если не поможет, осмотри обмотки статора..проверь замыкание на массу или межвитковое (хотя последнее не так то просто заметить...нужно чувствительный омметр - китайский не справится).
Еще посмотри биение якоря - нет ли биение области которая взаимодействует со щетками...если там выработка или сильное биение - то на высоких оборотах контакт нарушается и вольтаж скачет.
Возможно РР выделывается - соедини его провода напрямую (тот что от замка и тот что на + щетку идет), попробуй завести, только не газуй - пусть на ХХ работает, и меряй зарядку..можно включить свет и смотреть как помяняется положение...
Удачи
Так же проверить работу фаз можно путем отсоединения по одной при работе мотора на ХХ и смотреть на вольтметр..если при отсоединении какой либо показания не меняются или практически не меняются то скорей всего она не работает.\
Так же следует проверить АКБ - если он закороченый, то может быть подобное явление..но при этом заряд он будет держать...только номинал будет 10-11в. (попробуй с другим АКБ)
Если не поможет, осмотри обмотки статора..проверь замыкание на массу или межвитковое (хотя последнее не так то просто заметить...нужно чувствительный омметр - китайский не справится).
Еще посмотри биение якоря - нет ли биение области которая взаимодействует со щетками...если там выработка или сильное биение - то на высоких оборотах контакт нарушается и вольтаж скачет.
Возможно РР выделывается - соедини его провода напрямую (тот что от замка и тот что на + щетку идет), попробуй завести, только не газуй - пусть на ХХ работает, и меряй зарядку..можно включить свет и смотреть как помяняется положение...
Удачи
жизнь хороша, когда едешь не спеша...
- Alex
- рокер
- Повідомлень: 157
- З нами з: 26 травня 2009, 18:01
- Мотоцикл: JAWA 350 (638) Honda CB 400 SF
- Звідки: г. Пирятин
- Дякував (ла): 0
- Подякували: 0
- Контактна інформація:
Re: Плохая зарядка...
а почему 2? с генератора 3 фазы, и мостов 3 должно быть.Vitaha_N писав:MIC35 это однофазный мост? У тебя их два? Померяй переменное напряжение каждой из фаз на входе мостов, бывает что причиной зарядки только на повышенных оборотах является обрыв в цепи одной из фаз, ну и мосты прозвони для верности, вдруг один дохлый
Нет 1 фазы и имеем недозаряд
- lelik
- Старая гвардия
- Повідомлень: 1263
- З нами з: 16 лютого 2012, 12:11
- Мотоцикл: Jawa: 634-01 (вишневочка), ЧИХ-ПИХ 5
- Звідки: г. Переяслав-Хмельницкий
- Дякував (ла): 0
- Подякували: 0
- Контактна інформація:
Re: Плохая зарядка...
на каждом однофазном мосту 2 входа переменки и два выхода постоянки (+-)
2 моста в суме дают 4 входа...а поскольку у нас 3 фазы то и требуется только 3 входа - один резервный
2 моста в суме дают 4 входа...а поскольку у нас 3 фазы то и требуется только 3 входа - один резервный
жизнь хороша, когда едешь не спеша...
- kiselandrew
- АВАТАР ААНГ
- Повідомлень: 2860
- З нами з: 25 травня 2009, 14:11
- Мотоцикл: none
- Звідки: Novgorod-Siverskiy, UA
- Дякував (ла): 0
- Подякували: 0
- Контактна інформація:
- kiselandrew
- АВАТАР ААНГ
- Повідомлень: 2860
- З нами з: 25 травня 2009, 14:11
- Мотоцикл: none
- Звідки: Novgorod-Siverskiy, UA
- Дякував (ла): 0
- Подякували: 0
- Контактна інформація:
- Vitaha_N
- Старая гвардия
- Повідомлень: 1612
- З нами з: 05 січня 2011, 21:05
- Мотоцикл: Jawa, Suzuki
- Звідки: Кривой Рог
- Дякував (ла): 0
- Подякували: 0
- Контактна інформація:
Re: Плохая зарядка...
Никогда не пробовал ставить два таких моста, нагуглил схему - вроде правильно у него, хотя сфотано как то вверх ногами в сравнении со схемой 
-
C_ Joker
- los Relajados
- Повідомлень: 649
- З нами з: 04 травня 2010, 17:09
- Мотоцикл: CZ 472.6
- Звідки: Каменское(Днепродзержинск), Днепропетровская обл.
- Дякував (ла): 1 раз
- Подякували: 0
- Контактна інформація:
Re: Плохая зарядка...
Можно на незадействованное плечо подсоеденить вывод с центра звезды генератора, говорят добавляет чуток мощности)
Хто зараз онлайн
Користувачі, які зараз переглядають цей форум: Немає зареєстрованих користувачів