Зaжиганиe с Минска

Аватар користувача
Aleks1978
Старая гвардия
Повідомлень: 4206
З нами з: 15 вересня 2009, 17:56
Мотоцикл: 350/634
Звідки: Харківська область,Борівщіна
Дякував (ла): 2 рази
Подякували: 0
Контактна інформація:

Re: Зaжиганиe с Минска

Повідомлення Aleks1978 »

якби ж вони були,грошi. в нас за 5сот увесь гамуз можна взяти було. став i йiдь. акб тiльки 4-5сот грн.
095 02 63 867юмс і 063 624 72 60 лайф (вайбер і телеграм)[/color] Саня.
Держи и ум,и душу в чистоте.Тогда и процветание будет мудрым.
Аватар користувача
Aleks1978
Старая гвардия
Повідомлень: 4206
З нами з: 15 вересня 2009, 17:56
Мотоцикл: 350/634
Звідки: Харківська область,Борівщіна
Дякував (ла): 2 рази
Подякували: 0
Контактна інформація:

Re: Зaжиганиe с Минска

Повідомлення Aleks1978 »

ПРОДАЮ ГЕНЕРАТОР С МИНСКА 12V65W. решил насобирать денег и установить генератор иж-12v. фото продажного гена выше. в связи с установкой на яву ,были нарощены провода с обмоток зажигания. обрезаны ушки. крышка с маркировкой родная и без увечий.( исп. крышку специально изготовленую под2датчика=не продаетца).
095 02 63 867юмс і 063 624 72 60 лайф (вайбер і телеграм)[/color] Саня.
Держи и ум,и душу в чистоте.Тогда и процветание будет мудрым.
Аватар користувача
Aleks1978
Старая гвардия
Повідомлень: 4206
З нами з: 15 вересня 2009, 17:56
Мотоцикл: 350/634
Звідки: Харківська область,Борівщіна
Дякував (ла): 2 рази
Подякували: 0
Контактна інформація:

Re: Зaжиганиe с Минска

Повідомлення Aleks1978 »

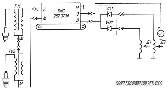
:100: ЦИТАТА С ДРУГОГО САЙТА: Более двух лет прошло с тех пор, как я установил на своем мотоцикле «Иж-Юпитер 4» бесконтактное зажигание на базе восходовского генератора, коммутатора 262.3734 и самодельного диодного смесителя (рис 1).
Рис. 1. Бесконтактное зажигание на базе восходовского генератора, коммутатора 262.3734 и самодельного диодного смесителя.


Убедившись в надежной работе моего творения, коллеги решились на подобное усовершенствование своей мототехники. Однако появились вопросы типа «Я собрал по твоей схеме — объясни, почему у меня не работает».

Вот некоторые типичные неисправности:
— нет искры вообще;
— мотор хорошо работает на холостых, но сбоит на оборотах выше средних;
— мотор хорошо пускается, но работает в основном какой-то один цилиндр, второй подхватывает изредка, вспышки следуют неравномерно;
— искры нет только при установке в схему мотоцикла «Иж»
— на мотоцикле «Восход» искра есть, при замене блока коммутатора-стабилизатора (БКС) аналогичным, другого типа (251.3734 на КЭТ 1-А) неисправность исчезает.

Все перечисленные неприятности указывают на дефект БКС. Рассмотрим заводскую схему блока (рис 2). Она скопирована с блока КЭТ 1-А выпуска 1980-х годов. В части коммутаторов стабилитрон VD2 представлен КС650 (или двумя последовательно включенными Д817Б).
Рис. 2. Принципиальная электрическая схема блока коммутатора-стабилизатора (БКС) заводского производства.


Обозначение элемента на схемах КЭТ-А 251.3734
C1 МБМ-1,0х250 В МБМ-1,0х250 В
C2, C3 МБМ-1,0х160 В МБМ-1,0х160 В
VD2 2хД817Б КС650А, КС680А
VD1, VD3, VD4 КД105Г КД208Б, КД2091
VS1 КУ201И(М) КУ2211
R2 100м исключен


Последние исполнения БКС — 251.3734, 261.3734, 262.3734 схематически не различаются. Изменились лишь внешность и тип некоторых деталей.

Принцип работы устройств одинаков, конденсатор С2 заряжается от высоковольтной обмотки генератора по цепи VD1, С1, VD2, VD4, R2. Положительным импульсом напряжения отдатчика, через VD3 открывается тринистор VS1, который разряжает С2 на обмотку катушки зажигания TV1, формируя искру на свече F1. Стабилитрон VD2 ограничивает напряжение на C2-VS1 на уровне 130—160 В. Однако на работающем коммутаторе вольтметр показал 194 В — явное перенапряжение, влияние разброса параметров стабилитрона. Хочется отметить интересную деталь — в качестве С2 применены два конденсатора типа МБМ. Такие конденсаторы могут долго работать в импульсном режиме. Являясь «самовосстанавливающимися», они легко переносят кратковременные перенапряжения.

Места пробоя обкладок заполняет парафиновая пропитка диэлектрика. К сожалению, это не проходит бесследно — со временем фольга обкладок начинает напоминать решето, емкость прибора падает. Пробои диэлектрика приводят к увеличению проводимости и появлению утечек. Работая в коммутаторе, такой конденсатор просто не успевает накапливать заряд за время между двумя импульсами датчика. Вот почему нормально работающий на мотоцикле «Восход» («Минск») блок барахлит в схеме мотоцикла «Иж», где частота импульсов запуска в два раза больше.

Конденсатор с утечкой выявляется по простой схеме (рис 3). С соблюдением мер безопасности (схема гальванически связана с бытовой сетью) подключаем проверяемый конденсатор в цепь. Электролампа-индикатор светиться не должна — свечение указывает на наличие утечки. Время проверки 15—30 минут (в сомнительных случаях — до 1 часа). Несмотря на несколько варварский способ проверки, для конденсатора он практически безопасен. В процессе эксплуатации он подвергается большим нагрузкам. Таким образом мною были выявлены тринадцать конденсаторов с явной утечкой, причем четыре из них в блоках, нормально работавших на одноцилиндровых моторах, но сбоивших в схеме «Ижа».
Рис. 3. Схема проверки конденсаторов и тринисторов на наличие утечек.


Заменить конденсаторы в КЭТ-1А несложно — блок легко разбирается. Такая же замена в исполнении 252.3734 — труднее. Для начала удаляем заполняющую корпус пористую массу, проварив коммутатор в кипящей воде 15—20 минут. Затем аккуратно «выщипываем» заполнитель пинцетом. Потянув за разъемы, вынимаем плату и получаем доступ к печатному монтажу. Можно, конечно, заменить неисправный прибор аналогичным, но нет гарантии, что новый вскоре тоже не выйдет из строя (причину см. выше), поэтому рекомендую менять на конденсаторы типа К73-17 1,0 мкФ/400 В (а еще лучше 4х0,47 мкФ/630 В). Два конденсатора нормально располагаются на плате. Герметизацию блока выполняем заливкой его строительной пеной или вырезанной по размеру пластиной резины. Предостерегу от применения различных автогерметиков — их активные компоненты со временем разрушат медные дорожки платы. В целях обеспечения максимальной надежности устройства «безальтернативным» вариантом я считаю металлобумажные конденсаторы типа МБГ, МБГП, МБГЧ (буква Г указывает на конструктивное исполнение прибора), рассчитанные на напряжение 400—630 В. Единственная проблема в этом случае — габариты. Возможен компромиссный вариант — в схеме для мотоцикла «Иж-Юпитер» величину С2 уменьшаем до 1 мкФ. Это обеспечит гарантированный его заряд за пол-оборота коленчатого вала.

Остальные элементы устройства особых нареканий обычно не вызывают. С1 (К73-15) достаточно надежен. Диоды VD1, VD4 советую заменить на КД226Г (с желтым кольцом). VD3 практически «неубиваем». Случается, что тринистор VS1 сменяет свои характеристики (двигатель начинает запускаться в обратную сторону) — это можно устранить заменой его на КУ202Н или (что еще лучше) на Т122-20-10. Крайне редко выходит из строя КУ221Г (КУ240А1). Замена тринистора сопряжена с подбором по минимальному току управления. Данная схема зажигания весьма требовательна к этому параметру. Я провожу отбор при помощи схемы, изображенной на рисунке 4.
Рис. 4. Схема устройства для подбора тринисторов VS1.


Перемещая движок R1 снизу вверх, отмечаем по миллиамперметру РА1 величину тока открывания исследуемого тринистора VS1 по началу свечения лампы EL1. Для использования отбираем экземпляры с током управления I = 1—8 mA. К сожалению, встречаются тринисторы с увеличенным током утечки. Проверка этого параметра производится по схеме, приведенной на рисунке 3. Свечение лампы будет указывать на неисправность прибора.

Восстановленный таким образом БКС пригоден к дальнейшей эксплуатации в системе зажигания как одно-, так и двухцилиндрового мотоцикла.

Д. Рассказов, г. Кашира.
Вкладення
bks2.jpg
bks.jpg
bks3.jpg
bks3.jpg (8.63 Кіб) Переглянуто 13284 разів
bks4.jpg
bks4.jpg (10.32 Кіб) Переглянуто 13284 разів
Востаннє редагувалось 17 квітня 2016, 11:09 користувачем Aleks1978, всього редагувалось 1 раз.
095 02 63 867юмс і 063 624 72 60 лайф (вайбер і телеграм)[/color] Саня.
Держи и ум,и душу в чистоте.Тогда и процветание будет мудрым.
Аватар користувача
Aleks1978
Старая гвардия
Повідомлень: 4206
З нами з: 15 вересня 2009, 17:56
Мотоцикл: 350/634
Звідки: Харківська область,Борівщіна
Дякував (ла): 2 рази
Подякували: 0
Контактна інформація:

Re: Зaжиганиe с Минска

Повідомлення Aleks1978 »

Усім доброго здоров*я!! Цей опис я взяв з інтернету. сайт=автомотоклуб.ру
095 02 63 867юмс і 063 624 72 60 лайф (вайбер і телеграм)[/color] Саня.
Держи и ум,и душу в чистоте.Тогда и процветание будет мудрым.
Аватар користувача
USS
Старая гвардия
Повідомлень: 1877
З нами з: 24 вересня 2013, 13:19
Мотоцикл: JAWA350-638-5. ИЖ-Ю-2
Звідки: Полтавская обл.
Дякував (ла): 0
Подякували: 1 раз
Контактна інформація:

Re: Зaжиганиe с Минска

Повідомлення USS »

Можливо моя думка буде дуже скептичною , але більшість винаходів дописувачів інету є тільки теоретичним викладом їхніх а може і не їхніх ідей, що з реальністю ніяк не пов'язано, при втіленні легковірними читачами у життя, яких ,виявляється купа проблем, що зводять на нівець усю красоту викладенного матеріалу, нащо винаходити велосипед він давно вже винайдений,використовуй вже готові, відповідні до кожної техніки схеми та не забивай дурницями голову.
_____Dirty Deeds Done Dirt Cheap_____
Аватар користувача
Aleks1978
Старая гвардия
Повідомлень: 4206
З нами з: 15 вересня 2009, 17:56
Мотоцикл: 350/634
Звідки: Харківська область,Борівщіна
Дякував (ла): 2 рази
Подякували: 0
Контактна інформація:

Re: Зaжиганиe с Минска

Повідомлення Aleks1978 »

в нас хлопці не перший раз переробляють яви під мінчаковський генератор. нічого,їздять і не шкодують. у всьому є свої плюси й мінуси. за бкс мені й місцеві байкери казали(треба було послухати і перепаяти бкс. давно б їздив)
095 02 63 867юмс і 063 624 72 60 лайф (вайбер і телеграм)[/color] Саня.
Держи и ум,и душу в чистоте.Тогда и процветание будет мудрым.
Аватар користувача
Aleks1978
Старая гвардия
Повідомлень: 4206
З нами з: 15 вересня 2009, 17:56
Мотоцикл: 350/634
Звідки: Харківська область,Борівщіна
Дякував (ла): 2 рази
Подякували: 0
Контактна інформація:

Re: Зaжиганиe с Минска

Повідомлення Aleks1978 »

сперечатись не буду. а якщо хтось зміняє ген12в іж на мій 12в мінськ. буду радий.
095 02 63 867юмс і 063 624 72 60 лайф (вайбер і телеграм)[/color] Саня.
Держи и ум,и душу в чистоте.Тогда и процветание будет мудрым.
Аватар користувача
Aleks1978
Старая гвардия
Повідомлень: 4206
З нами з: 15 вересня 2009, 17:56
Мотоцикл: 350/634
Звідки: Харківська область,Борівщіна
Дякував (ла): 2 рази
Подякували: 0
Контактна інформація:

Re: Зaжиганиe с Минска

Повідомлення Aleks1978 »

в общем появилось желание и материал перемотать обмотки зажигания. первую размотал без проблем и какой либо химии, (в советских такое в принципе не возможно,там лаком обмотка пропитана напрочь. и без растворителя никак не обойтись). вот такое качество обмоток отвечающих за зажигание. для пропитки буду использовать лак-цапон-бесцветный и подходящую по диаметру проволоку (нашел пару катушек от радио). вторую буду ... ,как первую сделаю.сопротивление катушек 216-225 ом шт. далі буде...
095 02 63 867юмс і 063 624 72 60 лайф (вайбер і телеграм)[/color] Саня.
Держи и ум,и душу в чистоте.Тогда и процветание будет мудрым.
Аватар користувача
Aleks1978
Старая гвардия
Повідомлень: 4206
З нами з: 15 вересня 2009, 17:56
Мотоцикл: 350/634
Звідки: Харківська область,Борівщіна
Дякував (ла): 2 рази
Подякували: 0
Контактна інформація:

Re: Зaжиганиe с Минска

Повідомлення Aleks1978 »

с ходу перемотать не вышло. криво -косо получается. отложил на завтра.
095 02 63 867юмс і 063 624 72 60 лайф (вайбер і телеграм)[/color] Саня.
Держи и ум,и душу в чистоте.Тогда и процветание будет мудрым.
Аватар користувача
Aleks1978
Старая гвардия
Повідомлень: 4206
З нами з: 15 вересня 2009, 17:56
Мотоцикл: 350/634
Звідки: Харківська область,Борівщіна
Дякував (ла): 2 рази
Подякували: 0
Контактна інформація:

Re: Зaжиганиe с Минска

Повідомлення Aleks1978 »

доброго здоров`я! нарешті перемотав обмотку. використав дріт 0,12мм який витягнув з трансформатора. дріт на трансформаторі був намотаний без просочування лаком,глянцево-коричневого кольору. :) намотував також без лака,на суху. намотав 1800 обертів,2 рази використовував папір просочений лаком як прокладку між рядами витків,+один обрив заізолбвав цим папером. опір вийшов 350ом,,обмотав ізоляційною ниткою-опір став 340ом!? дріт використовував такий самий по діаметру як рідний (нажаль 2гу обмотку не вистачіть перемотати :( ) причіна перемотки,або рідний дріт без лаку намотаний,або мало промазаний. :) іще рідний дріт займав половину катушки,а дріт яким замінив зайняв майже весь простір на катушці!? на днях буду розмотувати й перемотувати 2гу обмотку,порахую скільки там витків.
095 02 63 867юмс і 063 624 72 60 лайф (вайбер і телеграм)[/color] Саня.
Держи и ум,и душу в чистоте.Тогда и процветание будет мудрым.
Аватар користувача
Aleks1978
Старая гвардия
Повідомлень: 4206
З нами з: 15 вересня 2009, 17:56
Мотоцикл: 350/634
Звідки: Харківська область,Борівщіна
Дякував (ла): 2 рази
Подякували: 0
Контактна інформація:

Re: Зaжиганиe с Минска

Повідомлення Aleks1978 »

разница в к-ве витков до и после перемотки 376! по сопротивлению как положено было,а по виткам пи. все на фото.
Вкладення
Снимок3.JPG
Снимок3.JPG (32.19 Кіб) Переглянуто 13085 разів
после1
после1
до перемотки
до перемотки
095 02 63 867юмс і 063 624 72 60 лайф (вайбер і телеграм)[/color] Саня.
Держи и ум,и душу в чистоте.Тогда и процветание будет мудрым.
Аватар користувача
Aleks1978
Старая гвардия
Повідомлень: 4206
З нами з: 15 вересня 2009, 17:56
Мотоцикл: 350/634
Звідки: Харківська область,Борівщіна
Дякував (ла): 2 рази
Подякували: 0
Контактна інформація:

Re: Зaжиганиe с Минска

Повідомлення Aleks1978 »

усім привіт. потрібна ваша едектро технічна консультація. хочу домотати обмотки запалювання щоб кожна з них працювала одна як дві,або як 1,5. провід штатний 0,12мм,1800обертів для 12в генераторів. також була ідея перемотати проводом 0,15-20мм,як це буде впливати на систему запалювання??????????????????????????????? штатний провід який був намотаний китайцями світло рожевий,мабуть не лакований :(
095 02 63 867юмс і 063 624 72 60 лайф (вайбер і телеграм)[/color] Саня.
Держи и ум,и душу в чистоте.Тогда и процветание будет мудрым.
Аватар користувача
Aleks1978
Старая гвардия
Повідомлень: 4206
З нами з: 15 вересня 2009, 17:56
Мотоцикл: 350/634
Звідки: Харківська область,Борівщіна
Дякував (ла): 2 рази
Подякували: 0
Контактна інформація:

Re: Зaжиганиe с Минска

Повідомлення Aleks1978 »

если всунуть всхему выпрямитель и стабилизатор то можно поставить на яву 350
Вкладення
CSiX0MZGVEw.jpg
095 02 63 867юмс і 063 624 72 60 лайф (вайбер і телеграм)[/color] Саня.
Держи и ум,и душу в чистоте.Тогда и процветание будет мудрым.
Аватар користувача
Aleks1978
Старая гвардия
Повідомлень: 4206
З нами з: 15 вересня 2009, 17:56
Мотоцикл: 350/634
Звідки: Харківська область,Борівщіна
Дякував (ла): 2 рази
Подякували: 0
Контактна інформація:

Re: Зaжиганиe с Минска

Повідомлення Aleks1978 »

народ. підкажіть. яка повинна бути напруга на генераторі г-421,на контакті позначеним на схемі буквою З тобто запалювання. якщо У-Т-З намотані проводом 0,63мм і мають по кожна 116 витків. У і Т на виході мають 6-8в при 5000обертах (якщо не помиляюсь). ???????????????
095 02 63 867юмс і 063 624 72 60 лайф (вайбер і телеграм)[/color] Саня.
Держи и ум,и душу в чистоте.Тогда и процветание будет мудрым.
Аватар користувача
Андрейка 634-5-1980
уважаемый
Повідомлень: 583
З нами з: 19 лютого 2012, 20:23
Мотоцикл: Jawa-634|1980г,Иж П|1966г
Звідки: Глухов
Дякував (ла): 0
Подякували: 0
Контактна інформація:

Re: Зaжиганиe с Минска

Повідомлення Андрейка 634-5-1980 »

Доброго времени суток, форумчане!

Сейчас катаюсь на минске, и выяснился такой трабл с ним. При увеличении оборотов освещение гаснет почти полностью, еле накаливается лампа головного света. Проводка не замыкает, проверено, генератор в холостую выдает напругу, лампа 55Вт на клемме "О" генератора горит в полный рост, после коммутатора на любых клеммах "О" такая же беда. Коммутатор единая деталь которая не дает мне покоя. Может он мне парить мозг?
Аватар користувача
Aleks1978
Старая гвардия
Повідомлень: 4206
З нами з: 15 вересня 2009, 17:56
Мотоцикл: 350/634
Звідки: Харківська область,Борівщіна
Дякував (ла): 2 рази
Подякували: 0
Контактна інформація:

Re: Зaжиганиe с Минска

Повідомлення Aleks1978 »

Может бкс парить мозг.Замени,мож получится.
095 02 63 867юмс і 063 624 72 60 лайф (вайбер і телеграм)[/color] Саня.
Держи и ум,и душу в чистоте.Тогда и процветание будет мудрым.
Аватар користувача
Андрейка 634-5-1980
уважаемый
Повідомлень: 583
З нами з: 19 лютого 2012, 20:23
Мотоцикл: Jawa-634|1980г,Иж П|1966г
Звідки: Глухов
Дякував (ла): 0
Подякували: 0
Контактна інформація:

Re: Зaжиганиe с Минска

Повідомлення Андрейка 634-5-1980 »

Да, действительно! Заменил коммутатор и мотоцикл ожил, появился свет, и ушли перебои в зажигании!)

Спасибо!
Аватар користувача
Aleks1978
Старая гвардия
Повідомлень: 4206
З нами з: 15 вересня 2009, 17:56
Мотоцикл: 350/634
Звідки: Харківська область,Борівщіна
Дякував (ла): 2 рази
Подякували: 0
Контактна інформація:

Re: Зaжиганиe с Минска

Повідомлення Aleks1978 »

а у мене на яві так і не запрацював. при збільшенні обертів лівий циліндр потихеньку глохне. теж думав бкс але при відключенні правого підхватує і працює як нівчому не бувало. !? сьогодні трохи засмутився,колись придбав ген 14в-90ват мінський.так було на ньому написано. сьогодні підправляв обмотку і заодно порахував витки. 25витків=мопедівський 6в ішов зтакими обмотками.
095 02 63 867юмс і 063 624 72 60 лайф (вайбер і телеграм)[/color] Саня.
Держи и ум,и душу в чистоте.Тогда и процветание будет мудрым.
Аватар користувача
Aleks1978
Старая гвардия
Повідомлень: 4206
З нами з: 15 вересня 2009, 17:56
Мотоцикл: 350/634
Звідки: Харківська область,Борівщіна
Дякував (ла): 2 рази
Подякували: 0
Контактна інформація:

Re: Зaжиганиe с Минска

Повідомлення Aleks1978 »

Отже закінчів я свою епепею з мінчаковським генератором.Зміняв його на генератор з іжа 14в8а.
095 02 63 867юмс і 063 624 72 60 лайф (вайбер і телеграм)[/color] Саня.
Держи и ум,и душу в чистоте.Тогда и процветание будет мудрым.
Dermengy
Старая гвардия
Повідомлень: 821
З нами з: 18 серпня 2019, 08:46
Мотоцикл: Днепр, Jawa 634, ИЖ-П
Звідки: Одесса
Дякував (ла): 0
Подякували: 0
Контактна інформація:

Re: Зaжиганиe с Минска

Повідомлення Dermengy »

Саша, почитал я за твои муки с гемаратором от Минска и трезво содрогнулся :| направление было выбрано, имхо, перспективное, жаль босота не поддержала и не оказала допомогу.
Минчаковский генератор легко заставить работать в 2х цилиндровых мотоциклах, и не надо для этого мастырить 2 контура. Достаточно выкинуть штатный немагнитный индуктивный датчик и на его место приколхозить магнитный индуктивный датчик от скутера, к нему шторку-модулятор из куска жести как для Холла и коммутатор.
В работоспособности такого комплекта немного сомневался, но Романюк ака OlegHanter быстренько запилил стенд и развеял сомнения.
Аватар користувача
KSV
Старая гвардия
Повідомлень: 782
З нами з: 31 січня 2016, 09:14
Мотоцикл: Java 360.
Звідки: Кременчуг.
Дякував (ла): 0
Подякували: 5 разів
Контактна інформація:

Re: Зaжиганиe с Минска

Повідомлення KSV »

Я по молодости всунул гену с минска в иж через переходное кольцо, с без контактным минчаковсвим зажиганием, всунув туда еще один датчик и коммутатор. После этого что такое зажигание и АКБ у себя на ижу забыл, только свет не очень был.
Если в жизни что-то не клеится, выбрось клей. Возьми гвозди, забей на все!
Dermengy
Старая гвардия
Повідомлень: 821
З нами з: 18 серпня 2019, 08:46
Мотоцикл: Днепр, Jawa 634, ИЖ-П
Звідки: Одесса
Дякував (ла): 0
Подякували: 0
Контактна інформація:

Re: Зaжиганиe с Минска

Повідомлення Dermengy »

Нет необходимости ставить второй контур, достаточно заменить датчик и сделать новую шторку, на якоре наплавку срезать к ебеням
Аватар користувача
Aleks1978
Старая гвардия
Повідомлень: 4206
З нами з: 15 вересня 2009, 17:56
Мотоцикл: 350/634
Звідки: Харківська область,Борівщіна
Дякував (ла): 2 рази
Подякували: 0
Контактна інформація:

Re: Зaжиганиe с Минска

Повідомлення Aleks1978 »

давно то було. від генератора магніт залишився з перехідником під явський 6в коленвал. новий комутатор в упаковці.і катушка. датчіки. кому треба,продам.
095 02 63 867юмс і 063 624 72 60 лайф (вайбер і телеграм)[/color] Саня.
Держи и ум,и душу в чистоте.Тогда и процветание будет мудрым.
Dermengy
Старая гвардия
Повідомлень: 821
З нами з: 18 серпня 2019, 08:46
Мотоцикл: Днепр, Jawa 634, ИЖ-П
Звідки: Одесса
Дякував (ла): 0
Подякували: 0
Контактна інформація:

Re: Зaжиганиe с Минска

Повідомлення Dermengy »

від генератора магніт залишився з перехідником під явський 6в коленвал.
Ты сейчас о каком переходнике? Якорь подходит, я недавно крутил на стенде с цапфой от 634 вала
Вкладення
IMG_20200705_094614.jpg
IMG_20200629_082055.jpg
IMG_20200629_081524.jpg
Аватар користувача
Aleks1978
Старая гвардия
Повідомлень: 4206
З нами з: 15 вересня 2009, 17:56
Мотоцикл: 350/634
Звідки: Харківська область,Борівщіна
Дякував (ла): 2 рази
Подякували: 0
Контактна інформація:

Re: Зaжиганиe с Минска

Повідомлення Aleks1978 »

генератор китайський або російський був. надівалося все добре але криво. тож одніс його токарю,а там вставили нутро від явського 6в генератора і обточіли трохи. а також зробили магніт датчіка знімним.
095 02 63 867юмс і 063 624 72 60 лайф (вайбер і телеграм)[/color] Саня.
Держи и ум,и душу в чистоте.Тогда и процветание будет мудрым.
Відповісти

Повернутись до “Зажигание”

Хто зараз онлайн

Користувачі, які зараз переглядають цей форум: Немає зареєстрованих користувачів